Dom / Wiadomości

Wiadomości

Producenci łańcuchów liściowych wprowadzają środki ostrożności dotyczące czyszczenia łańcucha

Producenci łańcuchów liściowych wprowadzają środki ostrożności dotyczące czyszczenia łańcucha

Większość łańcuchów dostępnych na rynku wykonana jest ze stali nierdzewnej, ponieważ surowiec ze stali nierdzewnej jest stosunkowo twardy. Duża ...

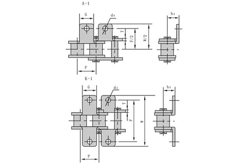
Producenci łańcuchów przemysłowych przedstawiają, jak rozróżnić typ łańcucha

Producenci łańcuchów przemysłowych przedstawiają, jak rozróżnić typ łańcucha

Łańcuch przenośnikowy nadaje się do pieczenia farb, powlekania metali, linii montażowych w fabrykach, takich jak fabryki mebli, fabryki sprzętu ...

Producent cichych łańcuchów wprowadza rozsądne metody pomiaru łańcuchów

Producent cichych łańcuchów wprowadza rozsądne metody pomiaru łańcuchów

Czy Cichy łańcuch Producent przedstawia jakie są rozsądne metody pomiaru łańcuchów? 1. Aby usunąć cały luz łańcucha, na...

Producent łańcuchów motocyklowych wprowadza metodę czyszczenia łańcucha ze stali nierdzewnej

Producent łańcuchów motocyklowych wprowadza metodę czyszczenia łańcucha ze stali nierdzewnej

Łańcuch motocyklowy Producent wprowadza łańcuch ze stali nierdzewnej jako uniwersalne wyposażenie przekładni. Zgodnie ze schematem kons...

Producenci łańcuchów rolkowych wprowadzają zasadę projektowania profilu zęba koła łańcuchowego

Producenci łańcuchów rolkowych wprowadzają zasadę projektowania profilu zęba koła łańcuchowego

Łańcuch rolkowy Producenci wprowadzają zasady projektowania profilu zęba koła łańcuchowego: 1. Kształt profilu zęba koła łańc...

Producenci łańcuchów napędowych przedstawiają praktyczne umiejętności obsługi zębatek

Producenci łańcuchów napędowych przedstawiają praktyczne umiejętności obsługi zębatek

Łańcuch napędowy Producenci przedstawiają praktyczne umiejętności zębatki: 1. Dokręcenie zębatki powinno być odpowiednie. Zb...

Środki ostrożności przy korzystaniu z łańcucha rolniczego

Środki ostrożności przy korzystaniu z łańcucha rolniczego

Łańcuch rolniczy błędy mogą mieć wpływ na poprawność ruchu narzędzia, a w niektórych przypadkach są głównym czynnikiem wpływającym na ...

Jak prawidłowo wyczyścić łańcuch transmisyjny

Jak prawidłowo wyczyścić łańcuch transmisyjny

Możesz także użyć gorącej wody z mydłem lub środka do dezynfekcji rąk albo użyć wyrzuconej szczoteczki do zębów lub nieco twardszej szczoteczki. Sp...

Producenci łańcuchów przenośnikowych przedstawiają, jak codziennie prawidłowo konserwować łańcuch

Producenci łańcuchów przenośnikowych przedstawiają, jak codziennie prawidłowo konserwować łańcuch

Łańcuch do podnoszenia ze stali nierdzewnej może regulować długość łańcucha w zależności od wysokości podnoszenia podnoszonego obiektu. Jest to ...

Przemysłowi producenci kół zębatych wprowadzają techniki postępowania z osadami węgla w łańcuchu

Przemysłowi producenci kół zębatych wprowadzają techniki postępowania z osadami węgla w łańcuchu

Gdy w sprzęcie mechanicznym stosowane są łańcuchy ze stali nierdzewnej, nieuchronnie osadza się na nich pewna ilość zanieczyszczeń, z których wi...

Producenci łańcuchów liściowych przedstawiają, dlaczego łańcuch się zepsuje

Producenci łańcuchów liściowych przedstawiają, dlaczego łańcuch się zepsuje

Łańcuch liści Producenci przedstawili przyczyny i rozwiązania, które spowodowały zerwanie łańcucha: 1. W trakcie użytkowania,...

Producenci łańcuchów przemysłowych przedstawiają charakterystykę łańcuchów wysokiej jakości

Producenci łańcuchów przemysłowych przedstawiają charakterystykę łańcuchów wysokiej jakości

Łańcuch przemysłowy Producenci wprowadzają cechy łańcuchów wysokiej jakości: 1. Dobra niezawodność i ochrona. Łańcuch p...