Dom / Wiadomości

Wiadomości

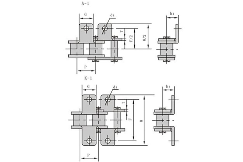
Producent łańcuchów przenośnikowych przedstawia strukturę łańcucha mechanicznego

Producent łańcuchów przenośnikowych przedstawia strukturę łańcucha mechanicznego

Łańcuch przenośnika Producent wprowadził, że struktura łańcucha mechanicznego składa się z zębów przekładni, rowków zębów, powierzchni ...

Jakie są metody zużycia zębatki przemysłowej

Jakie są metody zużycia zębatki przemysłowej

Jakie są metody noszenia Przemysłowe koło zębate ? 1. Zużycie ścierne: Jest to szlifierka powierzchni zębów spowodowana prz...

4 popularne metody smarowania łańcucha liściowego

4 popularne metody smarowania łańcucha liściowego

Bez względu na to, jak długo łańcuch jest używany, wymaga on regularnej konserwacji. Na przykład czyszczenie i smarowanie to sposoby na przedłuż...

Jak rozsądnie i prawidłowo korzystać z łańcucha przemysłowego

Jak rozsądnie i prawidłowo korzystać z łańcucha przemysłowego

Łańcuch przemysłowy to bardzo powszechny łańcuch, stosowany głównie w środowisku przemysłowym, zatem na co należy zwrócić uwagę stosując t...

Jak prawidłowo czyścić i naprawiać cichy łańcuch

Jak prawidłowo czyścić i naprawiać cichy łańcuch

Normalne działanie Cichy łańcuch opiera się na zwykłej konserwacji i ochronie łańcucha. Do łańcucha, który wymaga czyszczenia, zaleca...

Środki ostrożności dotyczące montażu łańcucha motocyklowego

Środki ostrożności dotyczące montażu łańcucha motocyklowego

Łańcuch motocyklowy jest ważną częścią motocykli. Jego funkcją jest sprawianie, aby motocykle jeździły i jeździły motocyklami. Przyjrzy...

Jakie są branże zastosowań łańcuchów rolkowych

Jakie są branże zastosowań łańcuchów rolkowych

Ze względu na swoje specyficzne funkcje, Łańcuch rolkowy ma inną metodę montażu niż inne łańcuchy, tworząc wyjątkową wytrzymałość i s...

Jaka jest rola łańcucha napędowego

Jaka jest rola łańcucha napędowego

W życiu codziennym często możemy spotkać się z różnego rodzaju Łańcuch napędowy . Mówiąc najprościej, łańcuszek to pierścień wykonany...

3 sposoby oceny jakości łańcucha rolkowego

3 sposoby oceny jakości łańcucha rolkowego

3 sposoby oceny jakości Łańcuch rolkowy : 1. Jakość łańcucha można odróżnić od wyglądu Zależy to głównie od odkształceni...

Strategia czyszczenia łańcucha napędowego

Strategia czyszczenia łańcucha napędowego

Łańcuch napędowy strategia czyszczenia: 1. Gorąca woda z mydłem, środek do dezynfekcji rąk, użyj wyrzuconej szczoteczki do zębó...

Środki ostrożności przy korzystaniu z łańcucha rolniczego

Środki ostrożności przy korzystaniu z łańcucha rolniczego

Środki ostrożności podczas stosowania Łańcuch rolniczy : 1. Dobra niezawodność i łatwość konserwacji. Łańcuch powinien być od...

Znajomość konserwacji łańcucha transmisyjnego

Znajomość konserwacji łańcucha transmisyjnego

The Łańcuch transmisyjny jest bardzo krytyczną strukturą przekładni w sprzęcie mechanicznym, która wpływa na wydajność roboczą i żywo...