Dom / Wiadomości

Wiadomości

Jak określić jakość łańcucha napędowego

Jak określić jakość łańcucha napędowego

Jak określić, czy jakość Łańcuch napędowy jest dobre, spójrzmy na to razem. 1. Jakość łańcucha można odróżnić od wyglądu ...

Jak zapobiec rdzewieniu łańcucha rolkowego

Jak zapobiec rdzewieniu łańcucha rolkowego

Łańcuch rolkowy odegrał wielką rolę w obecnej produkcji przemysłowej. Następnie, po długotrwałym użytkowaniu, zauważysz, że elementy si...

Producent łańcuchów rolniczych przedstawia wymagania dotyczące użytkowania przenośników łańcuchowych

Producent łańcuchów rolniczych przedstawia wymagania dotyczące użytkowania przenośników łańcuchowych

Łańcuch rolniczy producent przedstawił, że przenośnik łańcuchowy nadaje się do różnych środowisk i wymagań. W szczególności można to po...

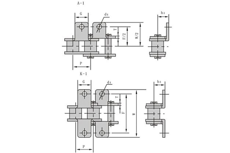
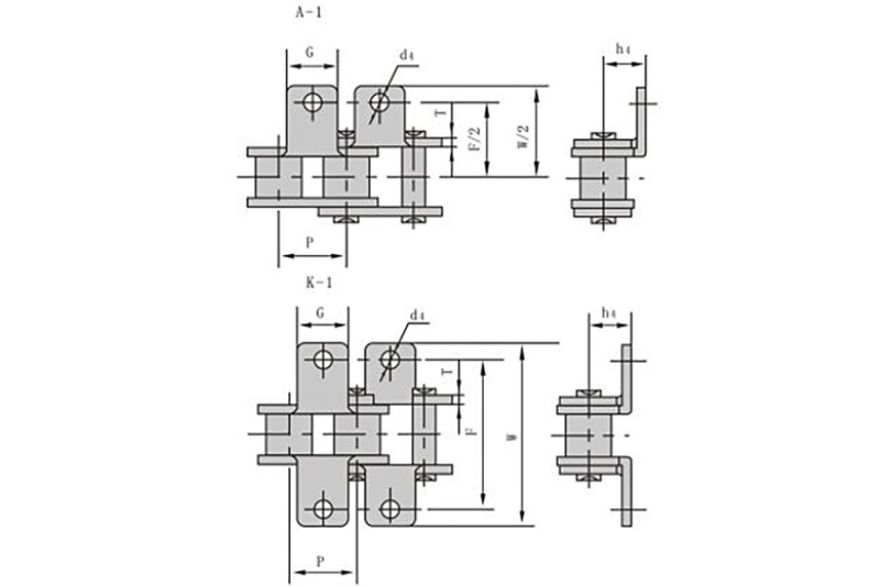
Jakie są rodzaje łańcucha transmisyjnego?

Jakie są rodzaje łańcucha transmisyjnego?

Rodzaje łańcuchów przekładni łańcuchowej można podzielić na Łańcuch transmisyjny , Łańcuch do podnoszenia i łańcuch trakcyjny. Łańcuc...

Typowe metody naprawy zębatki przemysłowej

Typowe metody naprawy zębatki przemysłowej

Przemysłowe koło zębate to łatwy w noszeniu dodatek do maszyn przemysłowych. W przypadku zużytych przekładni możemy je naprawić pewnymi metod...

Metoda konserwacji łańcucha przenośnika

Metoda konserwacji łańcucha przenośnika

Dzisiaj podzielę się metodą konserwacji Łańcuch przenośnika : 1. Naprężenie łańcucha jest kwestią ważną. Nie dokręcaj go zb...

Producenci łańcuchów piórowych dzielą się informacjami, jak prawidłowo używać ocynkowanego łańcucha do podnoszenia

Producenci łańcuchów piórowych dzielą się informacjami, jak prawidłowo używać ocynkowanego łańcucha do podnoszenia

W zależności od wysokości podnoszenia przedmiotu podnoszonego długość łańcucha można regulować w celu zakończenia operacji podnoszenia i transpo...

Producenci łańcuchów przemysłowych dzielą się tym, jak ocenić niezawodność łańcuchów poręczy

Producenci łańcuchów przemysłowych dzielą się tym, jak ocenić niezawodność łańcuchów poręczy

W przypadku stosowania łańcucha poręczy bardzo ważna jest jego niezawodność. Następujące Łańcuch przemysłowy producent przedstawi Ci ...

Cichy łańcuch może być stosowany w produkcji automatyki rolniczej

Cichy łańcuch może być stosowany w produkcji automatyki rolniczej

Dla Cichy łańcuch , jego użyteczność we wszystkich dziedzinach życia jest stosunkowo duża. Wśród nich nasi przyjaciele-rolnicy są bli...

Na co należy zwrócić uwagę przy zakupie łańcucha motocyklowego

Na co należy zwrócić uwagę przy zakupie łańcucha motocyklowego

Jest wiele rzeczy, na które warto zwrócić uwagę przy zakupie Łańcuch motocyklowy . Wiele bardzo profesjonalnych osób nie bar...

Jak usunąć plamy rdzy z łańcucha rolkowego

Jak usunąć plamy rdzy z łańcucha rolkowego

Łańcuch rolkowy ma dużą odporność na korozję, ale co, jeśli ma plamy rdzy? Przede wszystkim rozumiemy, że krem ​​do trawienia...

Jak usunąć plamy oleju z łańcucha napędowego

Jak usunąć plamy oleju z łańcucha napędowego

Po użyciu Łańcuch napędowy przez długi czas, jeśli nie będziesz zwracać uwagi na konserwację oleju, będzie dużo oleju lub brudu. Jeśl...