Dom / Wiadomości

Wiadomości

Wymagania dotyczące wyboru łańcucha napędu mocy

Wymagania dotyczące wyboru łańcucha napędu mocy

Zaletą A Łańcuch napędowy jest to, że może transportować różne przedmioty. Ogólnie rzecz biorąc, elementy niekorozyjne mogą być trans...

Wymagania dotyczące stosowania chińskiego łańcucha napędowego

Wymagania dotyczące stosowania chińskiego łańcucha napędowego

Wymagania dotyczące korzystania z ww Chiński łańcuch napędowy : 1. Upewnij się, że zębatka i łańcuch zawsze płynnie się zazębi...

Producenci cichych łańcuchów przedstawiają czynniki powodujące starzenie się łańcucha

Producenci cichych łańcuchów przedstawiają czynniki powodujące starzenie się łańcucha

Chociaż tarcze łańcuchowe ze stali nierdzewnej są znacznie lepsze niż zwykłe tarcze ze stali węglowej, w środowisku nadal znajdują się pewne sub...

Producenci łańcuchów rolniczych przedstawiają najczęstsze przyczyny uszkodzeń łańcuchów

Producenci łańcuchów rolniczych przedstawiają najczęstsze przyczyny uszkodzeń łańcuchów

Łańcuch rolniczy Producenci przedstawiają najczęstsze przyczyny uszkodzeń łańcucha: 1. Zużycie i uszkodzenie W przypadku o...

Umiejętność czyszczenia łańcucha skrzyni biegów

Umiejętność czyszczenia łańcucha skrzyni biegów

Łańcuch transmisyjny umiejętności sprzątania: 1. Często widzę, że niektórzy ludzie do czyszczenia łańcucha używają silnego kwas...

Producenci łańcuchów napędowych przedstawiają sposoby przezwyciężenia drgań łańcucha

Producenci łańcuchów napędowych przedstawiają sposoby przezwyciężenia drgań łańcucha

W procesie użytkowania łańcucha nieuniknione są problemy z łańcuchem. Poniżej, Łańcuch napędowy Producenci przedstawiają jak pokonać ...

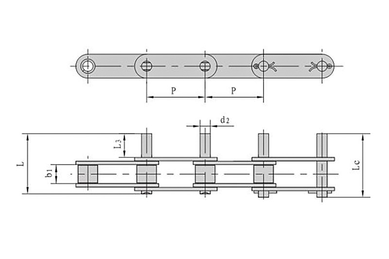
Charakterystyka strukturalna łańcucha przenośnika

Charakterystyka strukturalna łańcucha przenośnika

Rozwój łańcuchów transportowych i przenośników łańcuchowych jest komplementarny. W połączeniu z przenośnikami łańcuchowymi konieczne jest, aby p...

Umiejętności czyszczenia zębatki przemysłowej

Umiejętności czyszczenia zębatki przemysłowej

Przemysłowe koło zębate jest powszechnym elementem mechanicznych urządzeń transmisyjnych, a różne łańcuchy można zobaczyć w wielu obszarac...

Instrukcja instalacji łańcucha liściowego

Instrukcja instalacji łańcucha liściowego

W dzisiejszych czasach w produkcji przemysłowej lub w życiu zobaczysz postać łańcuchów. Bez względu na styl, w jakim istnieją, pokażą swoją wart...

Wymagania dotyczące konserwacji łańcucha przemysłowego

Wymagania dotyczące konserwacji łańcucha przemysłowego

Łańcuch przemysłowy wymagania konserwacyjne: 1. Łańcuch ze stali nierdzewnej nie może być zbyt napięty ani zbyt luźny, ponieważ ...

Producent łańcuchów rolkowych przedstawia różnicę między łańcuchem ze stali nierdzewnej a łańcuchem ze stali węglowej

Producent łańcuchów rolkowych przedstawia różnicę między łańcuchem ze stali nierdzewnej a łańcuchem ze stali węglowej

Producent łańcuchów rolkowych wprowadza różnicę pomiędzy łańcuchem ze stali nierdzewnej a łańcuchem ze stali węglowej: 1. Jak...

Producent łańcuchów motocyklowych wprowadza metodę doboru wyposażenia mechanicznego

Producent łańcuchów motocyklowych wprowadza metodę doboru wyposażenia mechanicznego

Producent łańcuchów motocyklowych wprowadzono, że aby spełnić wymagania instalacyjne różnych specyfikacji maszyn, specyfikacje łańcuchó...